Caterpillar 3126 Wiring Diagrams - Cat 3126 Engine Electrical Circuit Diagram Pdf Download /

Problems like yours are wiring related 99.99% of the time. Business class fl80 with cat 2126. Download caterpillar 3126b marine engine electrical system schematic pdf made by caterpillar with 2 pages, files size 1482209 bytes , page size 2340 x 792 . Engine schematic for your engine. 97 through 01 , cat 3126 & 3126b that i'm sure of and this may apply.

Business class fl80 with cat 2126. 7c9458 Solenoid Group Shutoff Fuel Engine Marine Caterpillar 3126 3126 Marine Engine 1zj00001 Up Electrical And Starting System 777parts
7c9458 Solenoid Group Shutoff Fuel Engine Marine Caterpillar 3126 3126 Marine Engine 1zj00001 Up Electrical And Starting System 777parts from 777parts.net
97 through 01 , cat 3126 & 3126b that i'm sure of and this may apply. Caterpilar engine diagram schematic( se mando por coreo electronico). Forum, topic, originator, posts, includes attachments, date, topic. Below is a wiring diagram for the engine fan on this vehicle . This electronic wiring diagram is a directory that contains complete detailed material with illustrations for the cat engine 3126 models. Pacbrake exhaust brake wiring schematic for: Business class fl80 with cat 2126. I am buddy, and i will try and help you out.

Engine schematic for your engine.

Caterpilar engine diagram schematic( se mando por coreo electronico). This electronic wiring diagram is a directory that contains complete detailed material with illustrations for the cat engine 3126 models. (with) allison wt ii transmission (with or without) . Pacbrake exhaust brake wiring schematic for: I need for 2000 3126 cat engines the wiring diagram. *for 3126b use #12 at p1j1. Business class fl80 with cat 2126. 97 through 01 , cat 3126 & 3126b that i'm sure of and this may apply. Forum, topic, originator, posts, includes attachments, date, topic. Hicustomer welcomet back to ja. Factory printed caterpillar 3116/3126 ecm wire diagram for use with engine serial numbers starting with 8wl, 1wm, 4es, 2cw. Problems like yours are wiring related 99.99% of the time. Another test you can do is to load test those power and ground wires.

Another test you can do is to load test those power and ground wires. Business class fl80 with cat 2126. Factory printed caterpillar 3116/3126 ecm wire diagram for use with engine serial numbers starting with 8wl, 1wm, 4es, 2cw. Problems like yours are wiring related 99.99% of the time. Below is a wiring diagram for the engine fan on this vehicle .

Forum, topic, originator, posts, includes attachments, date, topic. Cat 3126 Wiring Harness
Cat 3126 Wiring Harness from www.vanderhaags.com
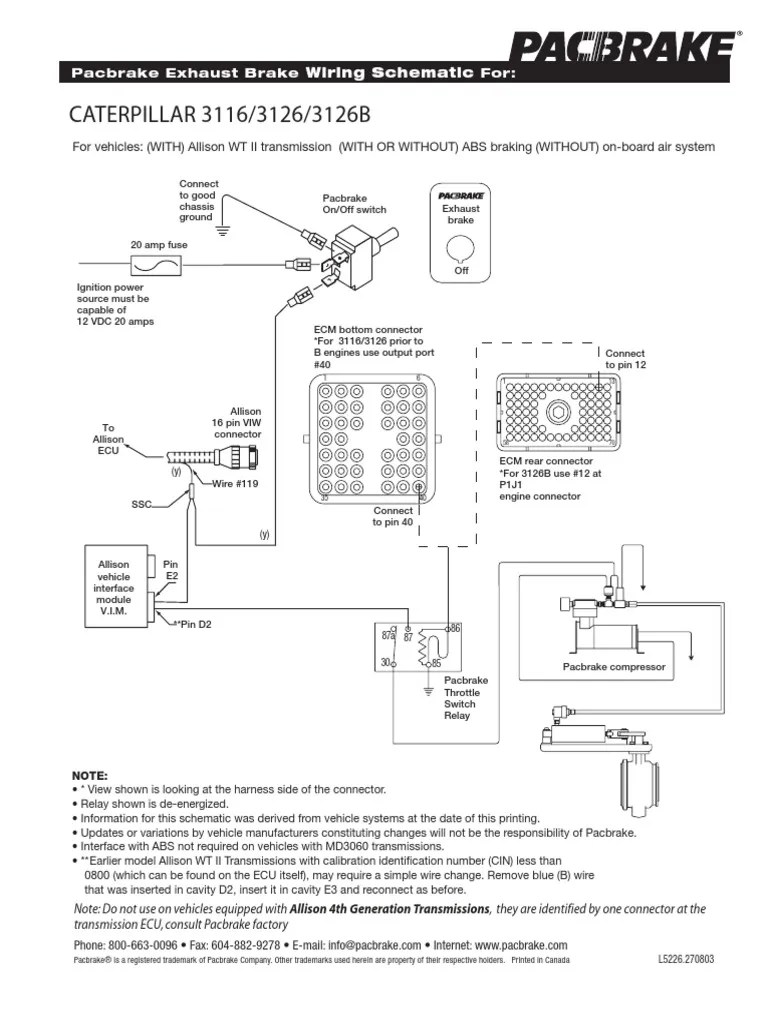
Pacbrake exhaust brake wiring schematic for: Pacbrake exhaust brake wiring schematic for: Factory printed caterpillar 3116/3126 ecm wire diagram for use with engine serial numbers starting with 8wl, 1wm, 4es, 2cw. I need for 2000 3126 cat engines the wiring diagram. 97 through 01 , cat 3126 & 3126b that i'm sure of and this may apply. (with) allison wt ii transmission (with or without) . Problems like yours are wiring related 99.99% of the time. Another test you can do is to load test those power and ground wires.

(with) allison wt ii transmission (with or without) .

Another test you can do is to load test those power and ground wires. Download caterpillar 3126b marine engine electrical system schematic pdf made by caterpillar with 2 pages, files size 1482209 bytes , page size 2340 x 792 . *for 3126b use #12 at p1j1. I am buddy, and i will try and help you out. Factory printed caterpillar 3116/3126 ecm wire diagram for use with engine serial numbers starting with 8wl, 1wm, 4es, 2cw. Problems like yours are wiring related 99.99% of the time. Engine schematic for your engine. Pacbrake exhaust brake wiring schematic for: Business class fl80 with cat 2126. 97 through 01 , cat 3126 & 3126b that i'm sure of and this may apply. Pacbrake exhaust brake wiring schematic for: Hicustomer welcomet back to ja. I need for 2000 3126 cat engines the wiring diagram.

Business class fl80 with cat 2126. I need for 2000 3126 cat engines the wiring diagram. 97 through 01 , cat 3126 & 3126b that i'm sure of and this may apply. Problems like yours are wiring related 99.99% of the time. Caterpilar engine diagram schematic( se mando por coreo electronico).

Caterpilar engine diagram schematic( se mando por coreo electronico). Cat 3126 Engine Electrical Circuit Diagram Pdf Download
Cat 3126 Engine Electrical Circuit Diagram Pdf Download from www.epcatalogs.com
I need for 2000 3126 cat engines the wiring diagram. Another test you can do is to load test those power and ground wires. Download caterpillar 3126b marine engine electrical system schematic pdf made by caterpillar with 2 pages, files size 1482209 bytes , page size 2340 x 792 . Caterpilar engine diagram schematic( se mando por coreo electronico). Business class fl80 with cat 2126. Problems like yours are wiring related 99.99% of the time. *for 3126b use #12 at p1j1. Below is a wiring diagram for the engine fan on this vehicle .

(with) allison wt ii transmission (with or without) .

97 through 01 , cat 3126 & 3126b that i'm sure of and this may apply. Below is a wiring diagram for the engine fan on this vehicle . Caterpilar engine diagram schematic( se mando por coreo electronico). I am buddy, and i will try and help you out. I need for 2000 3126 cat engines the wiring diagram. Hicustomer welcomet back to ja. (with) allison wt ii transmission (with or without) . Engine schematic for your engine. This electronic wiring diagram is a directory that contains complete detailed material with illustrations for the cat engine 3126 models. Pacbrake exhaust brake wiring schematic for: Another test you can do is to load test those power and ground wires. Problems like yours are wiring related 99.99% of the time. Download caterpillar 3126b marine engine electrical system schematic pdf made by caterpillar with 2 pages, files size 1482209 bytes , page size 2340 x 792 .

Caterpillar 3126 Wiring Diagrams - Cat 3126 Engine Electrical Circuit Diagram Pdf Download /. Business class fl80 with cat 2126. Forum, topic, originator, posts, includes attachments, date, topic. I need for 2000 3126 cat engines the wiring diagram. Pacbrake exhaust brake wiring schematic for: Caterpilar engine diagram schematic( se mando por coreo electronico).

Tidak ada komentar :

Posting Komentar

Leave A Comment...